ЛМ 57.14.18
Характеристики изделия:
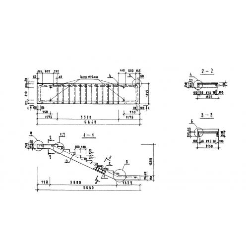
| Параметр | Значение |
|---|---|
| длина | 5650 мм |
| ширина | 1150 мм |
| высота | 1800 мм |
| масса | 2340 кг |
| нормативный документ | Серия 1.020-1 |
Цена:
Рассчитать стоимостьЛМ 57.14.18 Лестничные марши Серия 1.020-1.
| Параметр | Значение |
|---|---|
| длина | 5650 мм |
| ширина | 1150 мм |
| высота | 1800 мм |
| масса | 2340 кг |
| нормативный документ | Серия 1.020-1 |
ЛМ 57.14.18 Лестничные марши Серия 1.020-1.
