ПТН 36-10

Чертеж изделия:
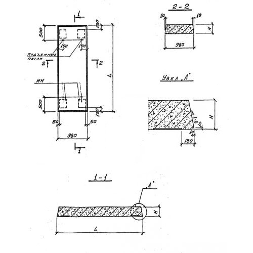
Характеристики изделия:
ПараметрЗначение
длина3900 мм
ширина980 мм
высота250 мм
масса2325 кг
нормативный документСерия 0.55.18.236

ПТН 36-10 Плиты перекрытия тоннелей Серия 0.55.18.236.