ВБ 9.10.39

Чертеж изделия:
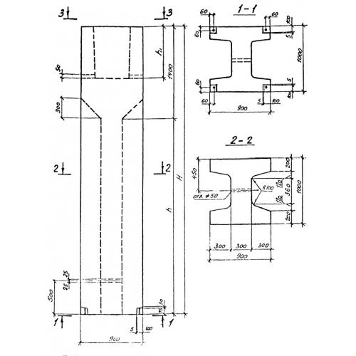
Характеристики изделия:
ПараметрЗначение
длина900 мм
ширина1000 мм
высота3890 мм
вес6790 кг
серия0-221-84

ВБ 9.10.39 Блоки-стаканы верхние по серии 0-221-84.