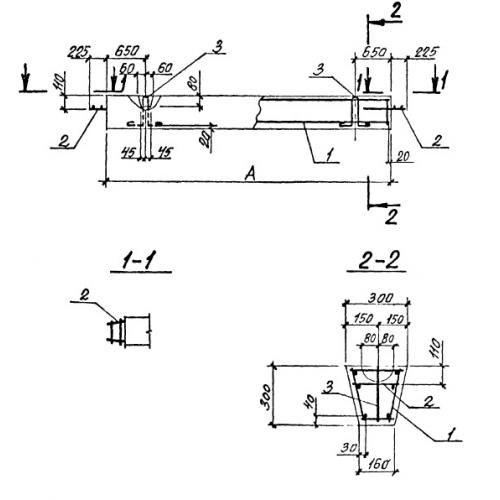
БФ 3

Чертеж изделия:
Характеристики изделия:
ПараметрЗначение
длина4950 мм
ширина300 мм
высота300 мм
вес850 кг
серия0-221-84

БФ3 Балки фундаментные по серии 0-221-84.