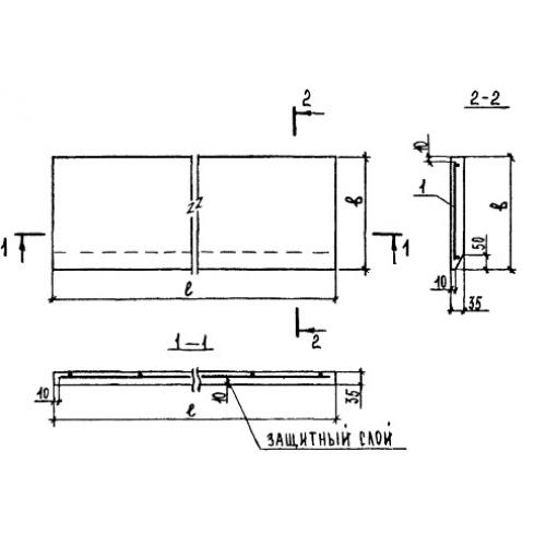
1ЛН 14.3 проступи накладные

Чертеж изделия:
Характеристики изделия:
ПараметрЗначение
длина1350 мм
ширина325 мм
высота35 мм
масса38 кг
нормативный документГОСТ 9818-85

1ЛН 14.3   Накладные проступи для укладки на нижние и рядовые ступени маршей ГОСТ 9818-85.