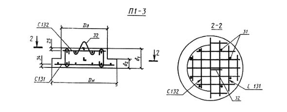
П 1-3

Чертеж изделия:
Характеристики изделия:
ПараметрЗначение
длина600 мм
ширина600 мм
высота180 мм
масса95 кг
нормативный документГОСТ 22687.3-85

П 1-3  Подпятники ГОСТ 22687.3-85.