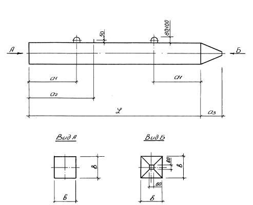
С 40-20-3
Характеристики изделия:
| Параметр | Значение |
|---|---|
| длина | 4000 мм |
| ширина | 200 мм |
| высота | 200 мм |
| масса | 425 кг |
| нормативный документ | ГОСТ 19804-2012 |
Цена:
Рассчитать стоимостьС 40-20-3 Сваи цельные сплошного квадратного сечения по ГОСТ 19804-2012.
| Параметр | Значение |
|---|---|
| длина | 4000 мм |
| ширина | 200 мм |
| высота | 200 мм |
| масса | 425 кг |
| нормативный документ | ГОСТ 19804-2012 |
С 40-20-3 Сваи цельные сплошного квадратного сечения по ГОСТ 19804-2012.