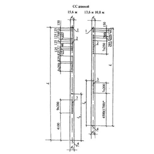
СС 136.6-2 стойки сети железных дорог

Чертеж изделия:
Характеристики изделия:
ПараметрЗначение
длина13600 мм
ширина492 мм
высота492 мм
масса2130 кг
нормативный документГОСТ 19330-99

Стандарт изготовления изделия: ГОСТ 19330-99

Стойки СС 136.6-2 – ЖБИ, используемые в стройке контактных ж/д дорог. В сечении элементы представляют собой коническое кольцо заданного диаметра. По длине стержня имеется ряд вентиляционных отверстий. Ближе к ним в нижней части имеется диагностический репер, используемый для подключения проверочной аппаратуры. На поверхности стоек нанесены специальные риски. С их помощью определяют центр тяжести и положение в пространстве. Для соединения с консолями и кронштейнами имеются закладные металлические звенья; для закрепления к стакану фундамента – анкерные болты.

СС - стойки, устанавливаемые в фундаменте стаканного типа или закапываемые непосредственно в грунт (нераздельные);

ССА - стойки с болтовым креплением к фундаменту (раздельные).