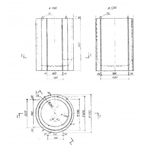
ВГ 12 рабочие камеры водопроводно-газовых колодцев
Характеристики изделия:
| Параметр | Значение |
|---|---|
| длина | 1410 мм |
| ширина | 1410 мм |
| высота | 1980 мм |
| масса | 2050 кг |
| нормативный документ | Альбом РК 2201-82 |
Цена:
Рассчитать стоимостьВГ 12 Рабочие камеры водопроводных и газопроводных колодцев Альбом РК 2201-82.
